



**产品特点**
* 可调流量
* 无活动部件
* 适用于钢丸与钢砂
* 流量范围:400 – 2400 磅/分钟
* 常闭设计
* 用于手动开启回路系统
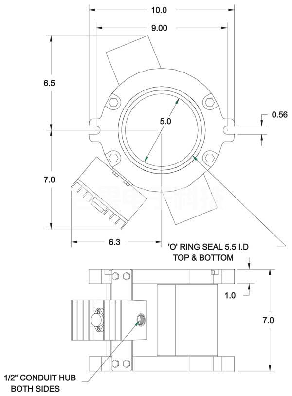
**Model 100 MagnaValve® 磁力控制阀**
Model 100 MagnaValve® 是一款常闭型磁力阀,适用于调控钢丸或钢砂的输送。
当与 Electronics Inc. 的 AC 控制器或 MC 控制器配合使用时,该磁力控制阀能在 400 至 2400 磅/分钟的流量范围内提供精确且可重复的流量控制。
该阀结构包含一个用于实现常闭操作的永磁体和一个用于控制磨料流量的电磁体。通过调节电磁体的电压,可以实现任何所需的流量。当电源关闭时,阀门会凭借永磁体保持关闭,从而截留磨料。
资料下载: